• 128x96 OLED Graphic Display, BL12896A

128x96 OLED Graphic Display

● OLED Display 128 x 96 dots
● Built-in controller SSD1329
● +3.3 V power supply
With Built-in positive voltage
● 1/96 duty cycle
● Color: white or blue
● Option: external positive voltage for LCD
● Option:SPI interface
● 16 Gray Scale
Model : BL12896A


BL12896A


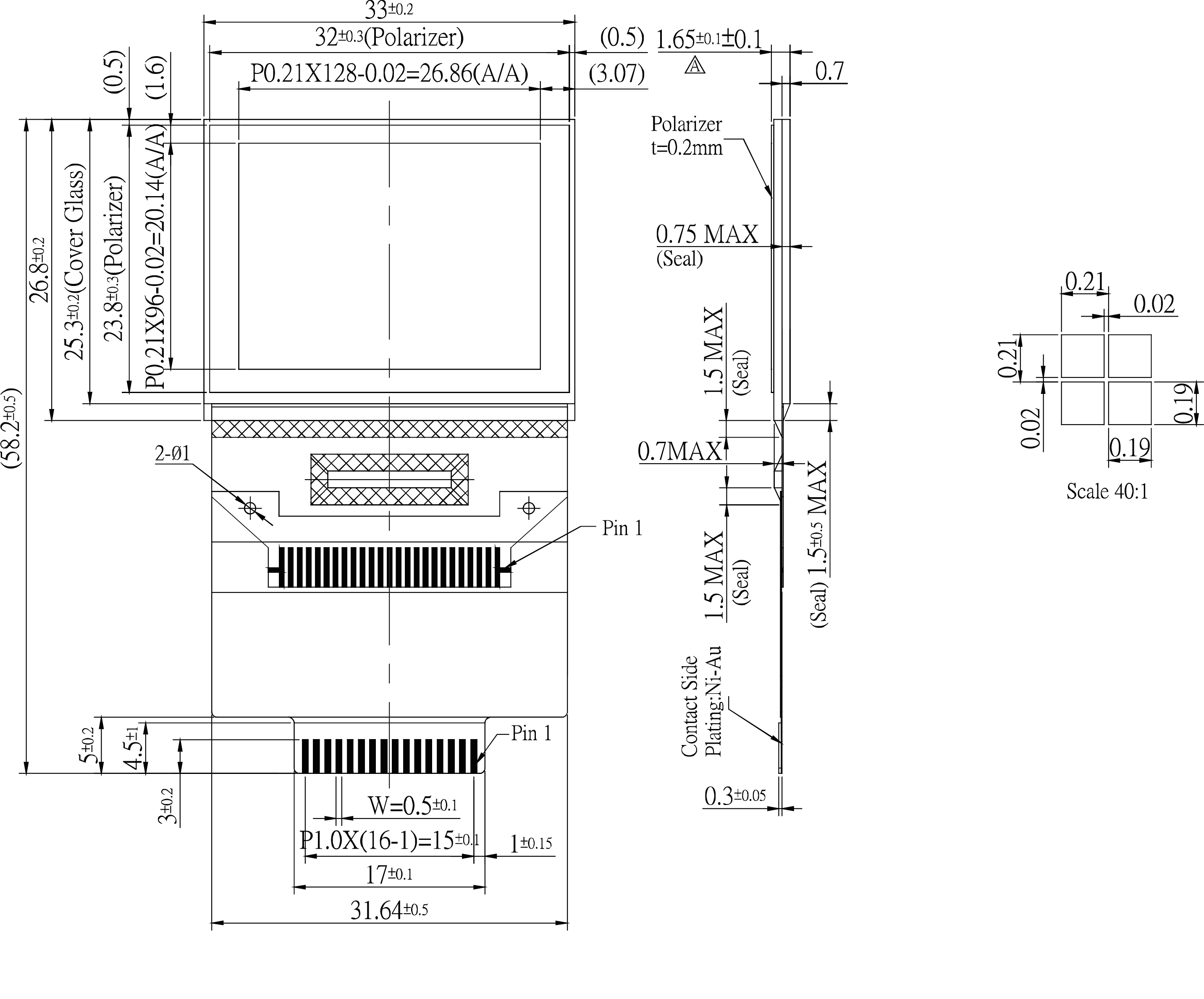
BL128696A is 1.32 inch 128x96 dots Graphic OLED Display Modules.

The module dimension of BL128696A is 33.0 x 26.8 mm and Active Area is 26.86 x 20.14 mm.

It has built-in IC SSD1329 and it supports Parallel/ SPI interface.

BL128696A required + 3.3 V power supply.

As most industrial OLED displays, the BL-series module offers extremely wide operating temperature range of -40 to + 80°C.


bl12896a-drawing.png





● Mechanical Data


Item

Standard Value

Unit

Module Dimension

33.0 x 26.8

mm

Active Area

26.86 x 20.14

mm

Dot Size

 0.19 x 0.19 

mm

Dot Pitch

0.21 x 0.21

mm




● Pin Assignment

Pin

Symbol

Function

1

Vss

Ground

2

Vdd

Power supply for logic

3

CS

Chip select input

4

RES

Reset signal

5

D/C

Data/command select

6

WR

Write signal

7

RD

Read signal

8~15

DB0~DB7

Data bus

16

DISPOFF/Vcc

Display OFF/power supply for LCD





Related Products

128x96 OLED Graphic Display

128x96 OLED Graphic Display