• 122x32 Graphic LCD display,BG12232A1

122x32 Graphic LCD Display Module

● COB with metal frame
● Built-in internal clock
● Built-in controller SBN1661G-M18 or equivalent
● 1/32duty cycle
● +5V single power supply
● LED B/L pins:19/20, or A/K or 1/2
● Option: LED, EL B/L
● Option: +3V single power supply
Model : BG12232A1


BG12232A1


BG12232A1 is a monochrome 122x32 graphic LCD display module made using Chip on Board (COB) method and comes with metal frame.

It has a built-in internal clock and built-in controller SBN1661G-M18 or equivalent.

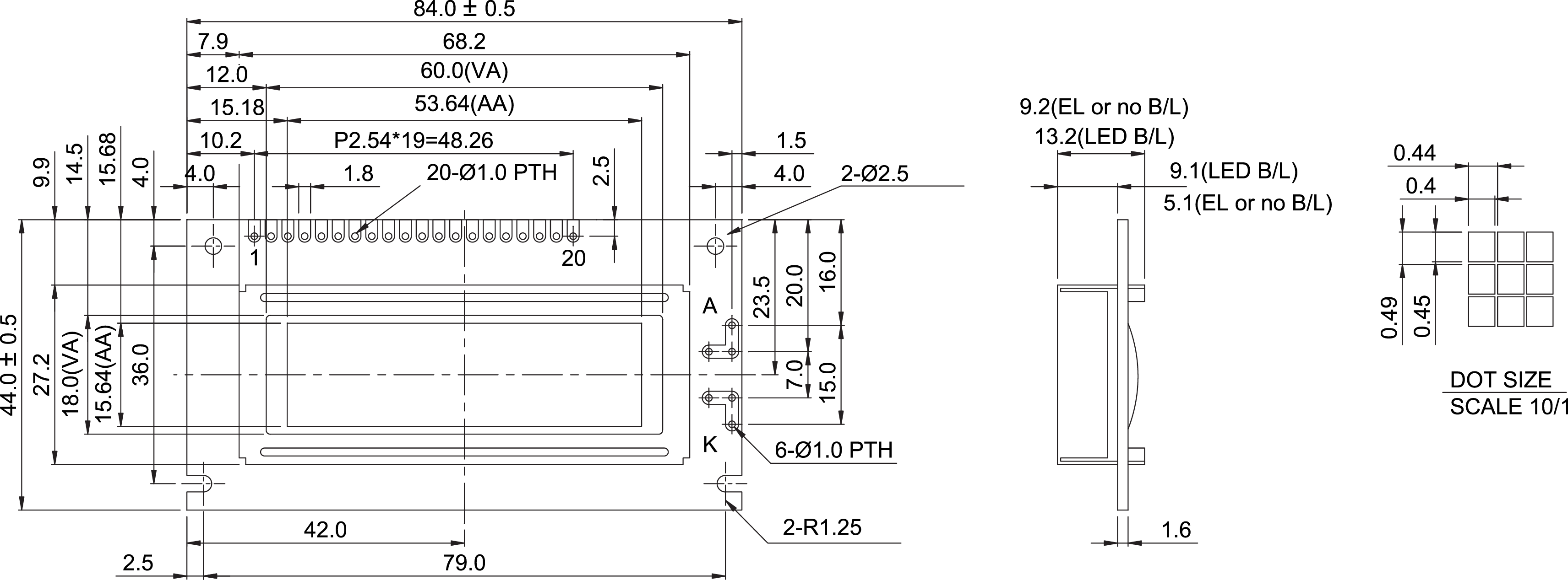
Module dimension of BG12232A1 is (84x44) mm and viewing area is (60x18) mm.

It supports 5V power supply and provides option of 3V power supply as well.




bg12232a1-drawing.png






● Mechanical Data

Item

Standard Value

Unit

Module Dimension

84.0 x 44.0 

mm

Viewing Area

60.0 x 18.0

mm

Dot Size

 0.40 x 0.45 

mm

Dot Pitch

0.44 x 0.49

mm




 ● Pin Assignment

Pin

Symbol

Function

1

Vss

GND

2

Vdd

+5V (+3V option)

3

Vo

Contrast Adjustment

4

Ao

H>Data  L> Instruction

5

E1

Data Latch For Chip1(S1~S61)

6

E2

Data Latch For Chip2(S62~S122)

7

NC

No Connection

8

NC

No Connection

9

R/W

R/W for 68 serial

10~17

DB0~7

Data bus line

18

/RES

Reset(H->L)

19

A/Vee

Power supply for B/L (+)

20

K

Power supply for B/L (GND)








Related Products

122x32 Graphic LCD Display Module

122x32 Graphic LCD Display Module