• 128x64 COG LCD Display Module, BO12864H1

128x64 COG LCD Display Module

● COG LCD Module 128x64
● COG package
● Built-in controller ST7567S
● +3.3V single power supply
● 1/64 duty cycle
● On chip LCD booster
● Option: Edge LED Backlight
Model : BO12864H1


BO12864H1


BO12864H1 is 128X64 GRAPHIC COG (chip on glass) LCD Module with built-in ST7567S controller.

BO12864H1 128X64 COG LCM Includes on chip LCD booster.

COG (chip on glass) is an LCD packaging technology where the controller is mounted directly onto the LCD glass and PCB is not required. COG makes LCD compact, consume less power and also bring down the cost.

It is recommend for compact applications 

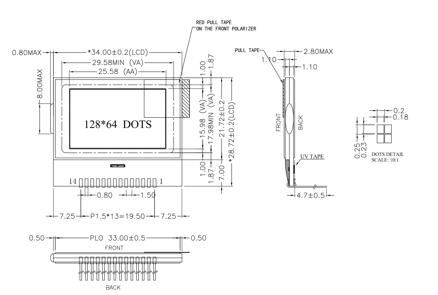
Module dimension of BO12864H1 is (34 x 28.72) mm and viewing area is (70.7 x 38.8) mm.






 Mechanical Data

Item

Standard Value

Unit

Module Dimension

34.00 x 28.72  

mm

Viewing Area

29.58 x 17.98

mm

Dot Size

 0.18 x 0.23  

mm

Dot Pitch

0.20 x 0.25 

mm





● Pin Assignment

Pin

Symbol

Pin

Symbol

1

NC

8

D6 (SCL)

2

NC

9

D7 (SDA)

3

NC

10

VDD

4

NC

11

VSS

5

CSB

12

V0

6

RSTB

13

XV0

7

A0

14

VG