Bolymin Incorporation (UJ Light Technologies Corporation)
Inquiry
Home
About Us
Products
Monochrome CHARACTER LCD
Monochrome GRAPHIC LCD
Monochrome MULTI-LANGUAGE LCD
COG LCD
OLED
Character OLED
Graphic OLED
TFT LCD/UART TFT LCD
Standard TFT LCD
IPS
MCU TFT LCD
UART TFT LCD
AD Board
Transfer Board
HDMI TFT LCD
E-Paper Display
VATN LCD
FSC LCD
UART Mono LCD
Embedded LCD
Mitsubishi TFT LCD replacement
LED DISPLAY
News
Events & Notice
New product & Technical support
EXHIBITION
PCN/EOL
Technology
TECHNICAL
DOWNLOAD
IC DATASHEET
Q/A
Solution
Contact Us
English
Inquiry (
0
)
Home
Products
COG LCD
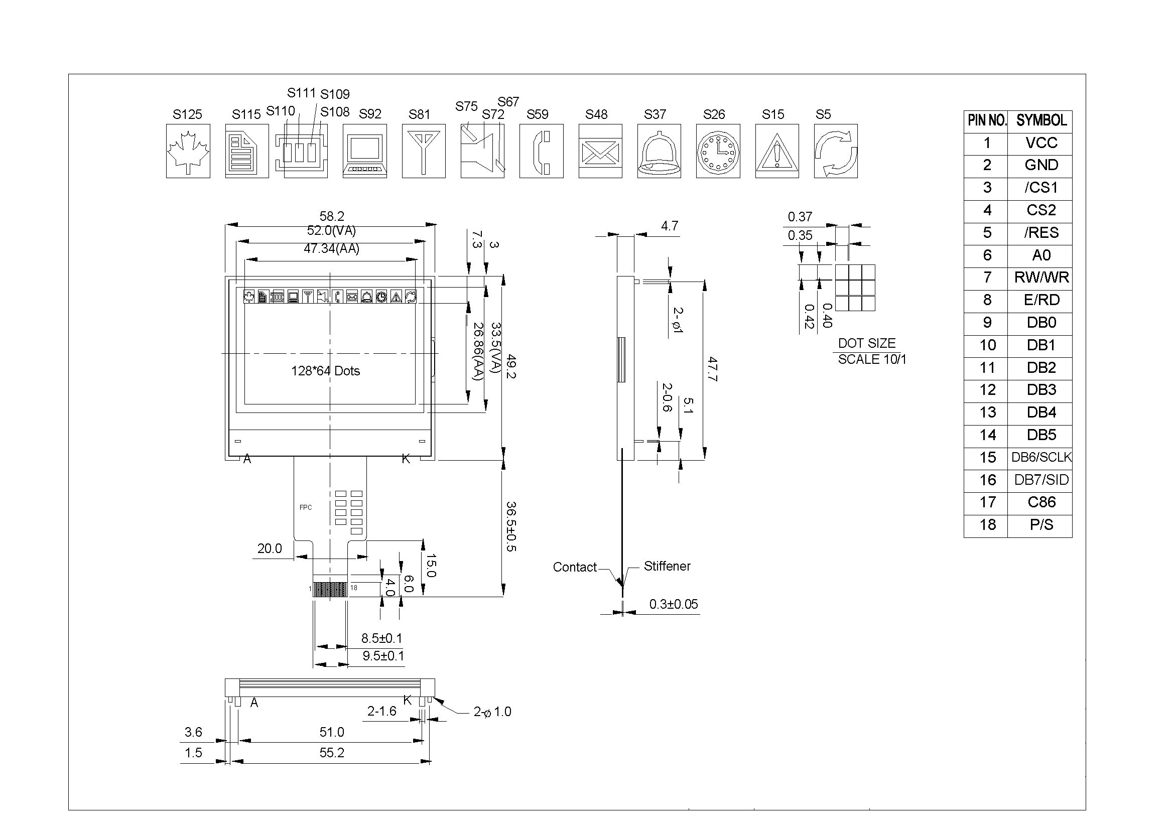
128x64 COG LCD Display Module
128x64 COG LCD Display Module
Model :
BO12864I
Q'ty :
Add To Inquiry
Specifications
Related Products
128x64 Chip on Glass LCD Modules LCD Module
Model : BO12864B2
Add To Inquiry
128x64 COG LCD Display Module
Model : BO12864D2
Add To Inquiry
128x64 COG LCD Modules
Model : BO12864E4
Add To Inquiry
128x64 COG LCD Display Module
Model : BO12864L
Add To Inquiry
128x64 COG Display Modules
Model : BO12864E3
Add To Inquiry
98x64 COG LCD Display Module
Model : BO9864B2
Add To Inquiry