16x2 COB OLED Character Display
BL1602HM is a 16x2 OLED (organic light-emitting diode) module made using COG (Chip on Glass) with SMT technology.
Character COG OLED display 16x2 has built-in IC and compatible with ST7066U, and 4 sets of CGROM (hardware selectable) fonts; English/Japanese, English/ Cyrillic, English/ European I and II.
It come with standard 4/8-bit 6800 series parallel interface and provides option of I2C interface. It can directly replace you 16x02 character LCM.
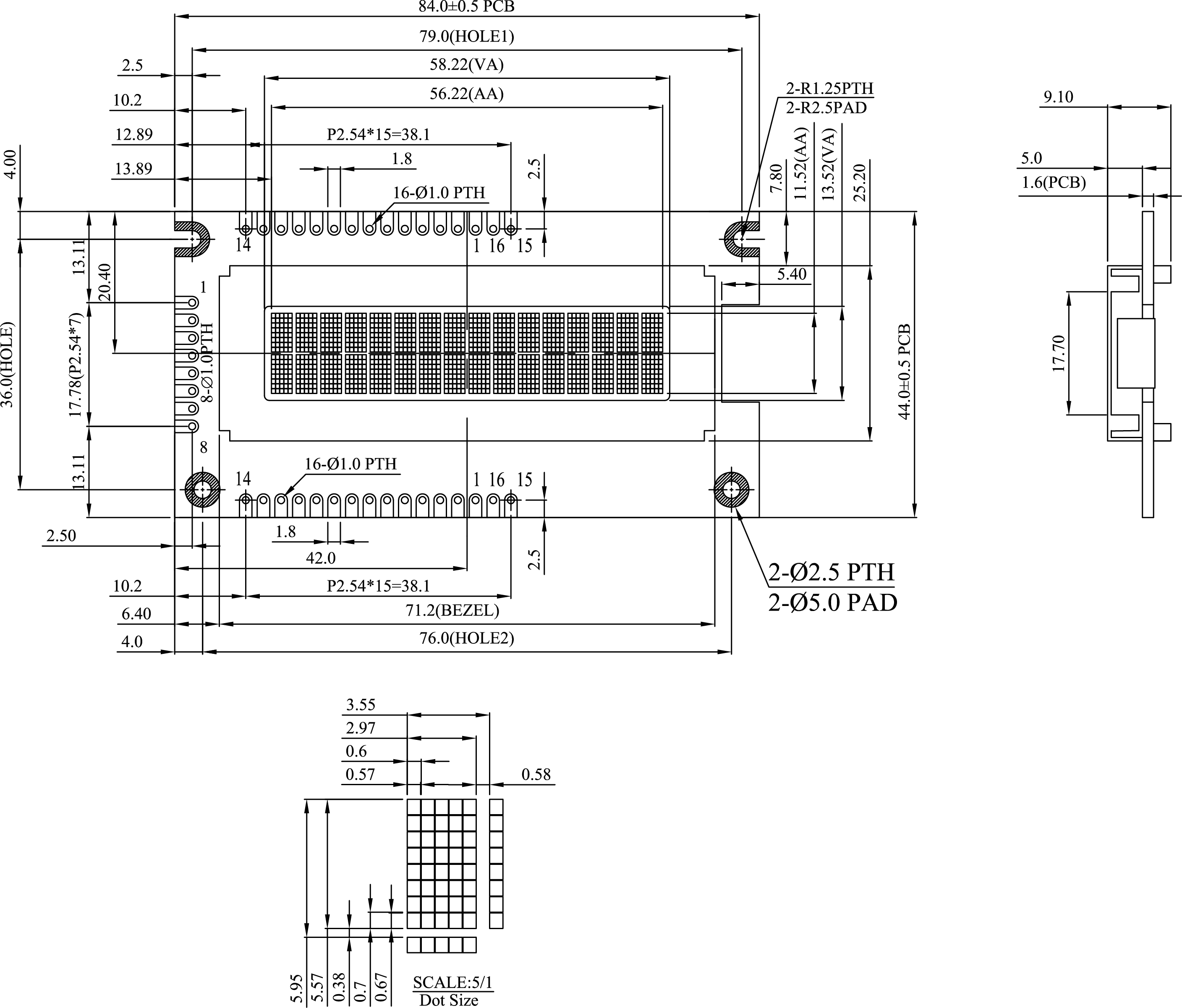
The module dimension 84.0 x 44.0 mm and active area is 56.22 x 11.52 mm.
It is available yellow and white options and wide Operating temperatures: -40°C to 80°C.
5.0V single power supply (Typ.)
Character COG OLED display 16x2 has built-in IC and compatible with ST7066U, and 4 sets of CGROM (hardware selectable) fonts; English/Japanese, English/ Cyrillic, English/ European I and II.
It come with standard 4/8-bit 6800 series parallel interface and provides option of I2C interface. It can directly replace you 16x02 character LCM.
The module dimension 84.0 x 44.0 mm and active area is 56.22 x 11.52 mm.
It is available yellow and white options and wide Operating temperatures: -40°C to 80°C.
5.0V single power supply (Typ.)
Model :
BL1602HM
Model : BL1602HM
-
COG with SMT
-
5.0V single power supply (Typ.)
-
5x7 dots with cursor
-
Built-in controller: Compatible with HD44780/ST7066U
-
Color:White/Yellow
-
Support MCU interfaces:
4/8-bit 6800 series parallel interface(STD)
I2C interface (Option)
-
Operating temperatures: -40°C to 80°C
-
4 sets of CGROM (hardware selectable)
ENGLISH/JAPANESE
ENGLISH/CYRILLIC
ENGLISH/EUROPEAN I
ENGLISH/EUROPEAN II
Mechanical Data
| Item | Dimension | Unit |
|---|---|---|
| Module dimension | 80.0 × 32.0 | mm |
| Active Area | 56.22 × 11.52 | mm |
| Dot size | 0.57 × 0.67 | mm |
| Character Size | 2.97 x 5.57 | mm |
Electrical Characteristics (Ta=25±2°C)
| Item | Symbol | Condition | Value | Unit |
|---|---|---|---|---|
| Input Voltage | VDD | VDD = +5V | 5.0 | V |
| Supply Current | IDD | VDD = +5V | 30.0 | mA |
| Lift Time (White) | 80 cd/m2 | 70K | hrs | |
| Lift Time (Yellow) | 80 cd/m2 | 100K | hrs |
Pin Assignment
| Pin | Symbol | Level | Function |
|---|---|---|---|
| 1 | GND | 0V | Ground |
| 2 | VDD | 5.0V | Supply voltage for logic. |
| 3 | NC | - | - |
| 4 | RS | H/L | H:DATA, L:Instruction code |
| 5 | R/W | H/L |
H:Read(MPU←Module) L:Write(MPU→Module) |
| 6 | E |
H→L |
Chip enable signal |
| 7~14 | DB0~7 | H/L | Data bit 0~7 |
| 15 | NC | - | - |
| 16 | NC | - | - |