• 20x2 Character LCD, BC2002A

20x2 Character LCD display

● COB with metal frame
● 5x7 dots with cursor
● Built-in controller ST7066 or equivalent
● +5V single power supply
● 1/16 duty cycle
● LED B/L pins:15/16,or A/K or 1/2
● Option: LED array / edge B/L,EL B/L
● Option: +3V single power supply
● Option: Negative voltage
Model : BC2002A


BC2002A


BC2002A is 20x2 characters LCD Module (LCM) made using Chip on Board (COB) method and comes with metal frame.

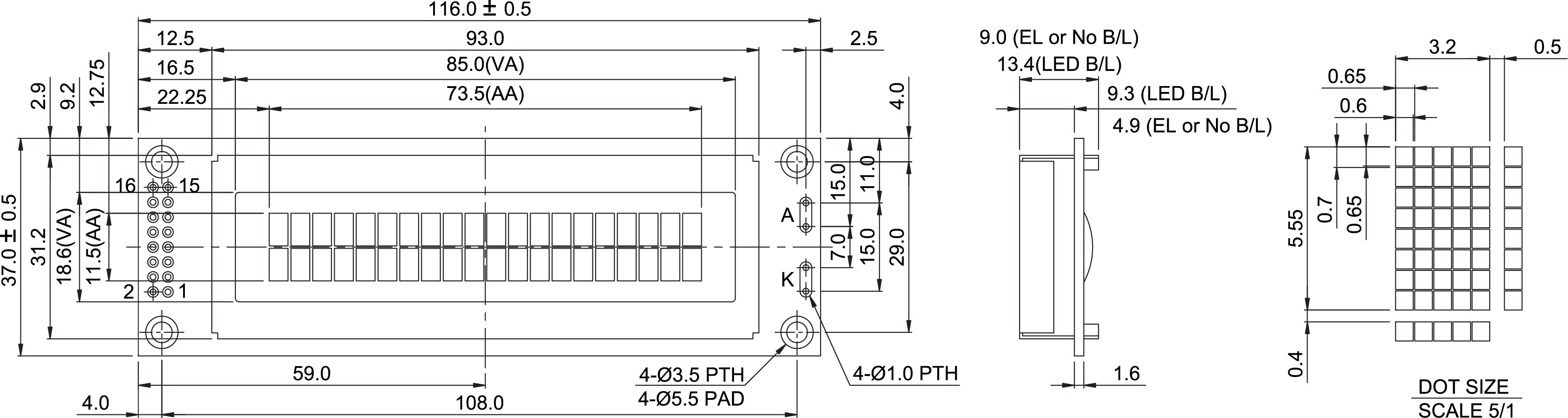
Module dimension of BC2002A is (116x37) mm and viewing area is (85x18.6) mm.

It has built-in controller ST7066 (or equivalent) that provides different language options, English, Japanese, Chinese, Western & Eastern European, Russian etc.

It is available without backlight or with LED, EL backlight options.

BC2002A LCD module is available in gray, yellow/green and blue LCD color.


bc2002a-drawing.png






● Mechanical Data

Item

Standard Value

Unit

Module Dimension

116.0 x 37.0 

mm

Viewing Area

85.0 x 18.6

mm

Dot Size

 0.6 x 0.65 

mm

Character Size

3.2 x 5.55

mm





● Pin Assignment

Pin

Symbol

Function

1

Vss

GND

2

Vdd

+5V (+3V option)

3

Vo

Contrast adjustment

4

RS

H/L register select signal

5

R/W

H/L read/write signal

6

E

H>L enable signal

7~14

DB0~7

H/L data bus line

15

A/Vee

Power Supply for B/L(+)/Negative voltage output

16

K

Power supply for B/L (GND)






Related Products

20x2 Character LCD display

20x2 Character LCD display

20x2 Character LCD display

20x2 Character LCD display