• 128x64 COG LCD Display Module

128x64 COG LCD Display Module

● COG package
● Built-in controller ST7567S
● +3.3V single power supply
● 1/64 duty cycle
● On chip LCD booster
● Option: LED edge backlight
Model : BO12864E5

BO12864E5


BO12864E5 is 128X64 GRAPHIC COG (chip on glass) LCD Module with built-in ST7567S controller.

BO12864E5 128X64 COG LCM Includes on chip LCD booster.

COG (chip on glass) is an LCD packaging technology where the controller is mounted directly onto the LCD glass and PCB is not required. COG makes LCD compact, consume less power and also bring down the cost.

It is recommend for compact applications 

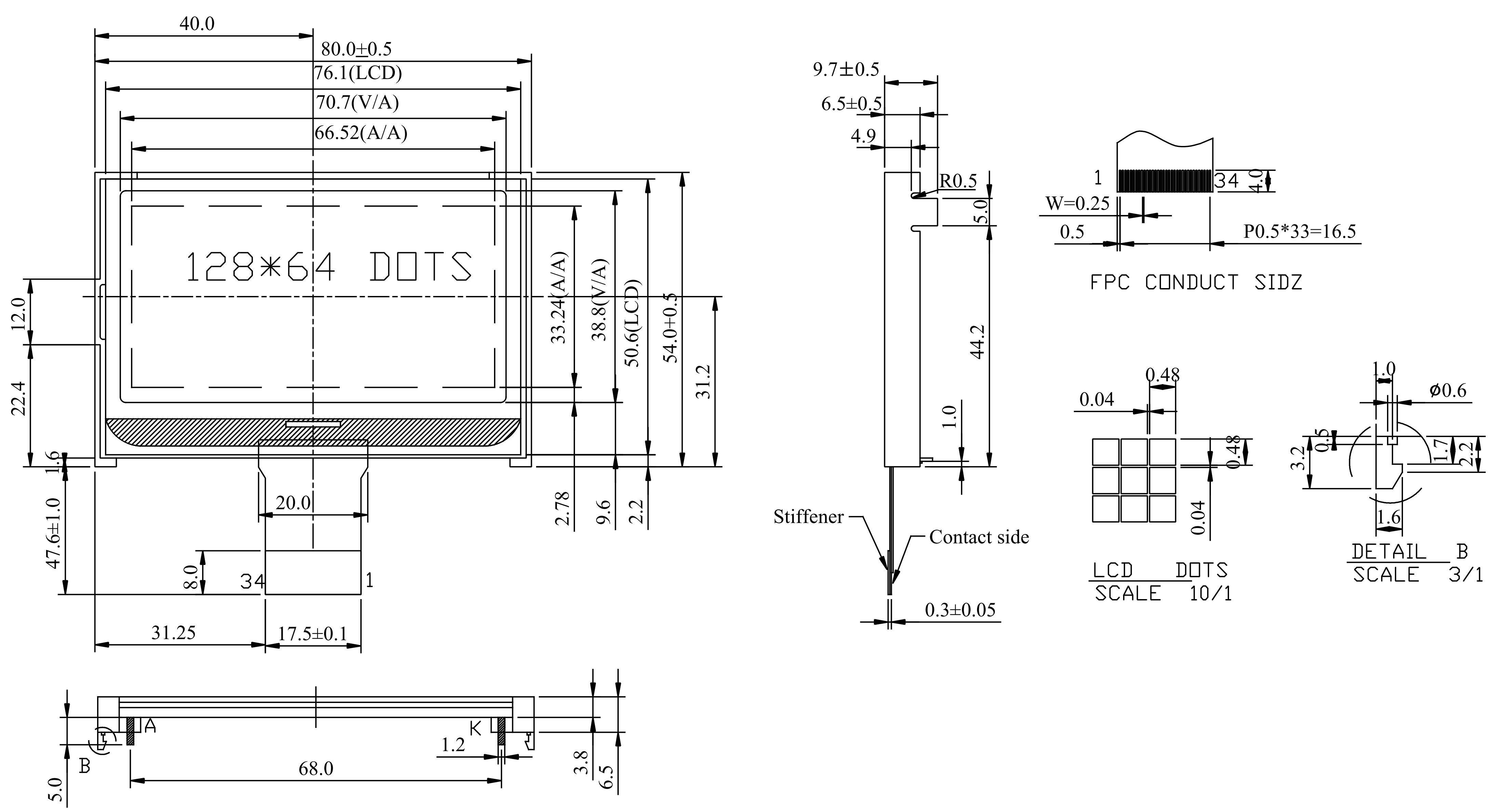
Module dimension of BO12864E5 is (80.0 x 54.0) mm and viewing area is (70.7 x 38.8) mm.

bo12864e5-drawing.png





● Mechanical Data



Item

Standard Value

Unit

Module Dimension

80.0 x 54.0 

mm

Viewing Area

70.7 x 38.8

mm

Dot Size

 0.48 x 0.48 

mm

Dot Pitch

0.52 x 0.52

mm




● Pin Assignment




Related Products

128x64 COG LCD Modules

128x64 COG LCD Modules

128x64 COG Display Modules

128x64 COG Display Modules