• 128x64 Graphic LCD Display, BG12864E

128x64 Graphic LCD Display Module

● COB with metal frame
● Built-in controller NT7107/NT7108 or equivalent
● +5V single power supply, with built-in negative voltage
● 1/64 duty cycle
● LED B/L pins:19/20,or A/K or 1/2
● Option: LED edge B/L,EL B/L
● Option: +3V single power supply
● Option: External negative voltage
Model : BG12864E


BG12864E


BG12864E is a monochrome 128x64 graphic LCD display module made using Chip on Board (COB) method and comes with metal frame.

It has a built-in controller NT7107/NT7108 or equivalent.

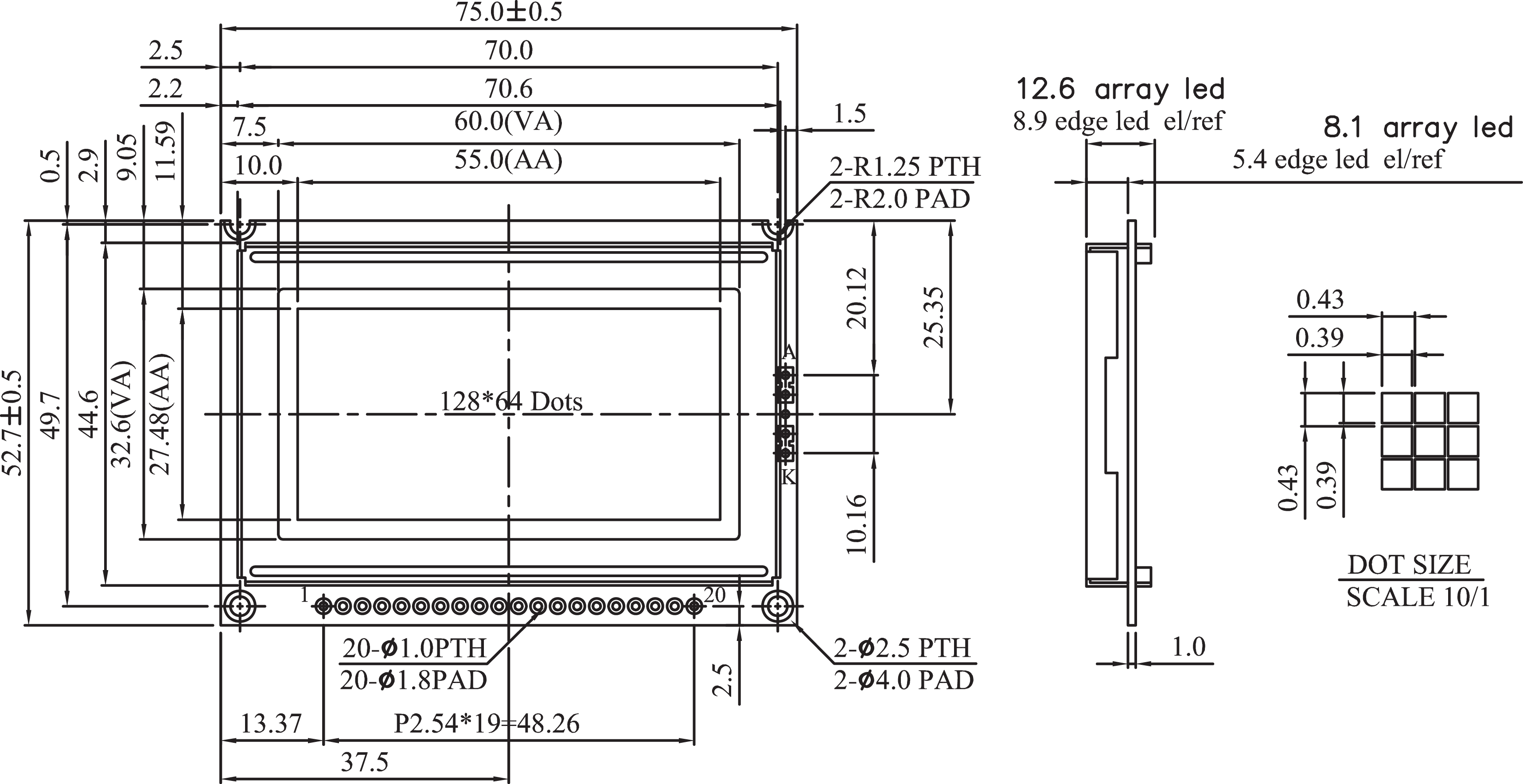
Module dimension of BG12864E is (75x52.7) mm and viewing area is (60x32.6) mm.

It supports 5V power supply and provides option of 3V power supply as well.


bg12864e-drawing.png






● Mechanical Data

Item

Standard Value

Unit

Module Dimension

75.0 x 52.7 

mm

Viewing Area

60.0 x 32.6

mm

Dot Size

 0.39 x 0.39 

mm

Dot Pitch

0.43 x 0.43

mm




 ● Pin Assignment

Pin

Symbol

Function

1

Vdd

Power supply (+5V)

2

GND

Power supply (GND)

3

Vo

Contrast adjustment

4~11

DB0~7

Data bus line

12

/CS1

Chip select for IC1

13

/CS2

Chip select for IC2

14

/RST

Reset signal

15

R/W

Data read/write

16

D/I

Data / instruction

17

E

Enable signal

18

Vee

Negative voltage output

19

A

Power supply for B/L (+)

20

K

Power supply for B/L (GND)










Related Products

128x64 Graphic LCD Display Module

128x64 Graphic LCD Display Module

128x64 Graphic LCD Display Module

128x64 Graphic LCD Display Module

128x64 Graphic LCD Display Module

128x64 Graphic LCD Display Module

128x64 Graphic LCD Display Module

128x64 Graphic LCD Display Module

128x64 Graphic LCD Display Module

128x64 Graphic LCD Display Module

128x64 Graphic LCD Display Module

128x64 Graphic LCD Display Module