• 16X2 Character LCD , BC1602D

16x2 Character LCD display

● Character LCD Display 16x2
● COB with metal frame
● 5x7 dots with cursor
● Built-in controller ST7066 or equivalent
● +5V single power supply
5. 1/16 duty cycle
6. LED B/L pins:15/16,or A/K or 1/2
7. Option: LED array / edge B/L,EL B/L
8. Option: +3V single power supply
9. Option: Negative voltage
10. Option: LCD Vop Fix on 5V(-20℃~+70℃)
Model : BC1602D


BC1602D


BC1602D is 16x2 characters LCD Module (LCM) made using Chip on Board (COB) method and comes with metal frame.

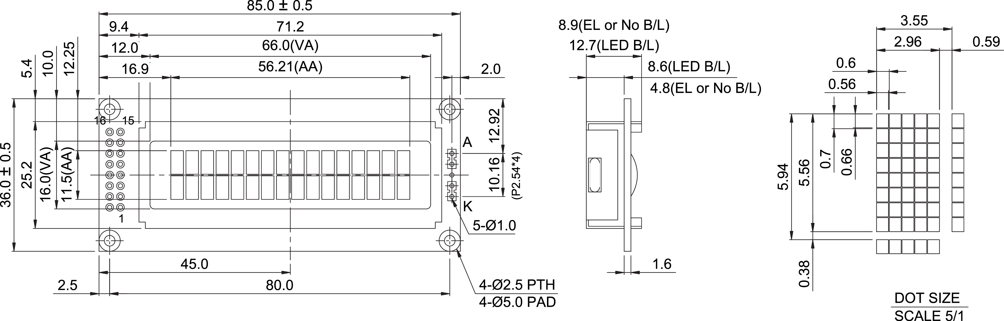
Module dimension of BC1602D is (85.0x36.00) mm and viewing area is (66.0x16.0) mm.

It has built-in controller ST7066 (or equivalent) that provides different language options, English, Japanese, Chinese, Western & Eastern European, Russian etc.

It is available without backlight or with LED, EL backlight options.

BC1602D LCD module is available in gray, yellow/green and blue LCD color.


bc1602d-drawing.png





● Mechanical Data

Item

Standard Value

Unit

Module Dimension

85.0 x 36.0 

mm

Viewing Area

66.0 x 16.0

mm

Dot Size

 0.56 x 0.66 

mm

Character Size

2.96 x 5.56

mm




● Pin Assignment

Pin

Symbol

Function

1

Vss

GND

2

Vdd

+5V (+3V option)

3

Vo

Contrast adjustment

4

RS

H/L register select signal

5

R/W

H/L read/write signal

6

E

H>L enable signal

7~14

DB0~7

H/L data bus line

15

A/Vee

Power Supply for B/L(+)/Negative voltage output

16

K

Power supply for B/L (GND)





Related Products

16x2 Character LCD display

16x2 Character LCD display

16x2 Character LCD display

16x2 Character LCD display

16x2 Character LCD display

16x2 Character LCD display

16x2 Character LCD display

16x2 Character LCD display

16x2 Character LCD display

16x2 Character LCD display

16x2 Character LCD display

16x2 Character LCD display